IWeSBO - Schweißtechnische Beratung
Ingenieurbüro für werkstofftechnische und schweisstechnische Beratung und Optimierung
Ihr Ziel wird mein Ziel
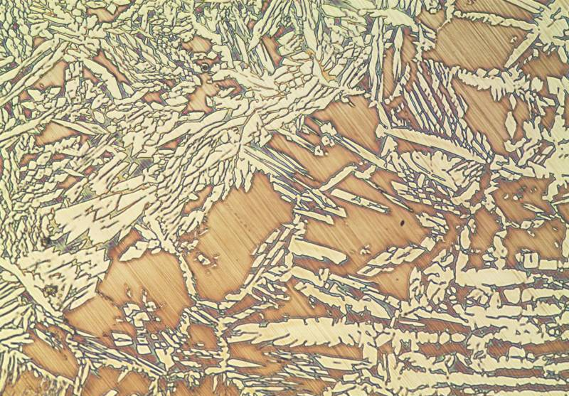
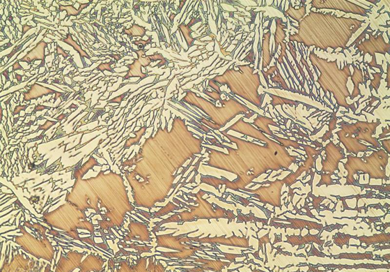
Gute Werkstoffkenntnisse sind vielfach Vorraussetzung zur Gestaltung und Optimierung bestehender Fertigungsprozesse. Fertigungsgebiete wie die Schweisstechnik erfordern vom Ingenieur und Praktiker ein umfangreiches Rundum-Wissen aus verschiedenen Einzeldisziplinen, wie der Werkstofftechnik, der Elektrotechnik, der Konstruktion, der Produktionstechnik und der Kenntnis von Normen und Regelwerken.
Gern begleite ich auch Ihr Unternehmen auf dem Weg zu effizienten und technisch optimalen Prozessen.
Dabei ist mir der enge und partnerschaftliche Kontakt eine wichtige Voraussetzung für eine erfolgreiche Zusammenarbeit.
Für eine unverbindliche Kontaktaufnahme stehe ich Ihnen jederzeit gerne zur Verfügung.
Bisherige Tätigkeiten
Dienstleistungen
- Werkstofftechnische und schweisstechnische Beratung, In-House und mittels MS-Teams.
- Mitarbeiterschulung über moderne Werkstoffe und deren schweisstechnische Verarbeitung.
- Dozent im Rahmen der Ausbildung der Schweissfachingenieure und Schweissfachmänner
- Bei Schadensfällen Erarbeitung einer schweisstechnischen Raparatur-Lösung.
- Unterstützung bei der Einführung von Qualitätssicherungssystemen zur Fertigung gemäss z.B. EN ISO 3834, EN 1090, EN 15085.
- Übernahme von Schweissaufsichtsmandaten als externe Schweissaufsicht. (vSAP)
- Unterstützung bei der Erstellung von Fertigungs- und Einkaufsspezifikationen.
- Optimierung des Schweisszusatzbestands unter technischen und kommerziellen Gesichtspunkten.
- VT-Prüfung von geschweissten Bauteilen.
Schulungen und Vorträge
Fachbeiträge für Fachzeitschriften
EN 1011-1 - Teil 1; eine Normenreihe, wie geschaffen für den Praktiker.
DVS-Merkblatt 0916 - Ein praktisches Hilfsmittel zum Metall-Schutzgas-Schweissen von Feinkornbaustählen.
Schweisstechnische Verarbeitung des neuen Lean-Duplex-Stahles LDX 2101.
AWS/ASME SFA-5.1 - Spezifikation für unlegierte Stabelektroden zum Elektroden-Hand-Schweissen.
Fülldrahtschweissen, ein Überblick unter technischen und wirtschaftlichen Gesichtspunkten.
Schweisstechnik im Chemieanlagenbau - Schweissen von nichtrostenden Stählen.
Schweissen von artverschidenen Stählen, Schwarz-Weiss-Verbindungen.





